快播在线视频,快播视频在线观看,快播视频下载污,快播视频官网下载

    欢迎来到上海快播在线视频广告有限公司企业官网! 本公司专业从事快播视频在线观看、快播视频下载污设计/制作/安装一站式服务...
    快播视频在线观看,快播视频下载污-上海快播在线视频广告有限公司
    企业新闻
    行业动态
    常见问题

    您现在的位置: 首页 > 资讯动态

    企业新闻

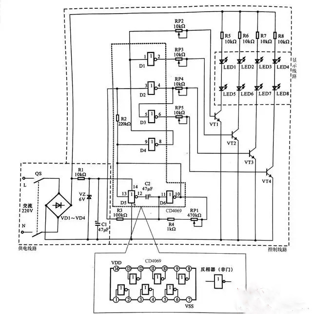
    上海快播在线视频邀你关注:LED广告灯控制线路原理图解

    编辑:上海快播在线视频 发布时间: 2019/11/20 浏览次数:3725
    今天上海快播在线视频邀你关注LED广告灯控制线路原理图解,供需要的你做个参考。 
    LED广告灯控制线路是一种可用于小区庭院、马路、景观照明及装饰用的线路。LED广告灯控制线路是采用LED作为显示设备的线路,通过逻辑门电路控制不同颜色的LED有规律地亮灭,起到广告警示的作用。

    LED广告灯控制线路主要是由供电线路、控制线路以及显示线路等构成的。该线路中电源总开关QS、桥式整流电路VD1~VD4、六非门电路CD4069、驱动晶体三极管VT1~VT4、发光二极管LED1~LED8为核心元器件和部件。
    LED广告灯控制线路的供电过程为:
    合上电源总开关QF,接通交流220 V市电电源。
    交流220 V 市电电压经桥式整流电路VD1~VD4整流后输出直流电压,为显示线路进行供电。
    整流输出的直流电压,经电阻器R1降压、稳压二极管VZ稳压、滤波电容器C1滤波后,产生6 V直流电压,为六非门电路C04069提供工作电压(4脚送入)。
    LED广告灯的工作过程为:
    六非门电路CD4069工作后,D5与D6两个非门(反相放大器)与电容、电阻构成脉冲振荡电路,由10脚和13脚输出低频振荡信号。
    低频振荡脉冲加到CD4069的9脚,经电阻器R2后加到3脚上。
    由9脚输人的振荡信号经反相后,由8脚输出,一路再送入1脚中。振荡信号经4个非门的处理分别由2,4,6,8脚输出相位和时序不同的脉冲信号,并分别加到VTI~VT4的基极。当有正极性脉冲加到晶体三极管基极时,该管便会导通,相应的LED便会点亮发光,从而形成有规律的闪光。
    六非门电路CD4069的5脚输入的振荡信号经反相后由6脚输出(此时输出的振荡信号与4脚输出的相反)。
    振荡信号经电位器RP5送往驱动晶体三极管VT4的基极,使VT4工作在开关状态,从而交替导通。
    振荡信号为高电平时VT4导通,发光二极管LED4和LED8便会发光;振荡信号为低电平时VT4截止,发光二极管LED4和LED8·便会熄灭。此时LED3和LED7、LED4和LED8在振荡信号的作用下,便会交替地点亮和熄灭。
    快播在线视频不仅能为你设计快播视频下载污、快播视频在线观看,还能为你制作LED广告灯哦!上海快播在线视频广告有限公司http://www.jxslsc.com/是一家专注于快播视频在线观看系列产品生产,以超高亮树脂字、快播视频在线观看、港式工艺精工字、楼宇亮化工程等广告制品为主营,集设计、制作为一体的技术型企业。提供从规划设计、 生产制作、 安装维护一体化的综合配套服务。主要产品包括:户内外门头发光字、形象墙精品发光字、橱窗精工金属字、迷你发光字、立体发光字、 LED灯箱等。具体可以根据你的需要定制,快播在线视频广告欢迎您的光临!
    < > 返回列表

    服务热线

    15900993853

    微信服务号

    网站地图